2022-05-06|admin
PSBN precision planetary gearbox drawings are downloaded online. PSBN gearbox is a NEUGART gearbox series precision planetary gearbox, equipped with high-precision helical teeth, high meshing accuracy between dimensions, and low noise during the production process. Guaranteed good performance. Online download of precision planetary gearbox drawings, internal structure size drawings, CAD drawings, 3D model downloads, if you need a model selection and quotation, you can contact technical or online customer service to provide services.
Example of structural drawing of PSBN planetary gearbox:PSBN70 gearbox size drawing
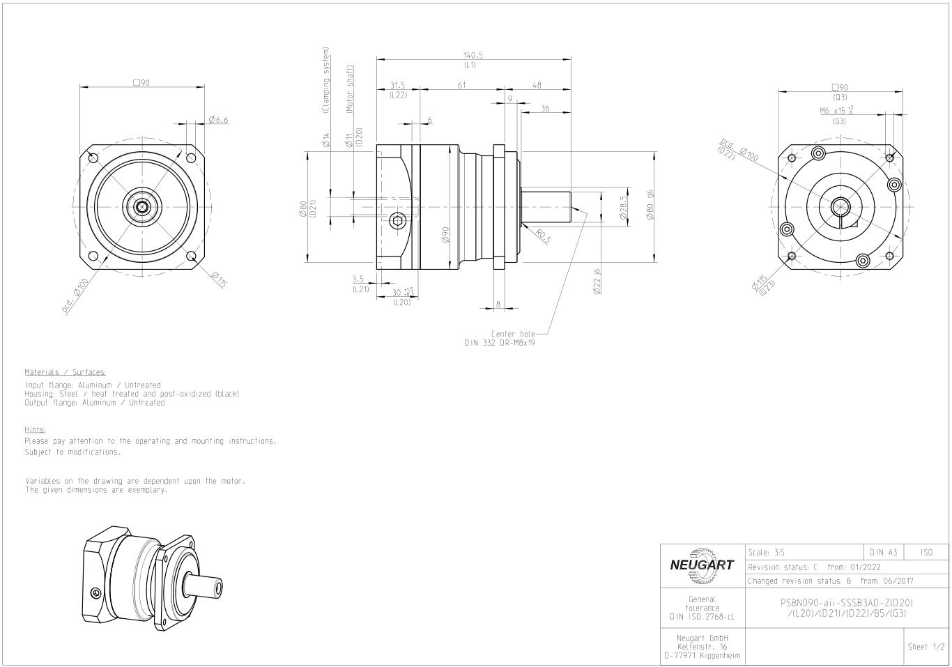
PSBN90 gearbox size drawing
PSBN115 gearbox size drawing
PSBN142 gearbox size drawing
PSBN gearbox structure drawing download:
PSBN070 Reference Drawings.zip
PSBN090 Reference Drawings.zip